" />
11年專業銷售工程師-徐工
15年專業銷售工程師-謝工
9年專業銷售工程師-王工
6年銷售工程師-張工
項目產品選型、技術指導高級電器工程師-李工
| 分類 | |
| 品牌 |
| 分類 | |
| 品牌 |
| 分類 | |
| 品牌 |
| 分類 |
|
| 品牌 |
|
優勢一:廣州南創是一家大型傳感器、儀器儀表、工業備品備件供應商!中國傳感器聯合會誠信“AAA”級成員,多家世界知名傳感企業中國市場開拓核心合作伙伴;
優勢二:完善的全國銷售服務網絡:12個區域辦事處、20個分公司、遍布全國的售后服務網點,為您及時便捷實現上門無憂售后服務;
優勢三:為國內多家知名大中型工業企業、航天工業企業提供國際工業自動化控制檢測設備及工業稱重系統和傳感器設備儀表,緊密依托中科院及清華大學的技術支持合作交流。技術、產品可靠值得信賴;
優勢四:鄭重承諾:三個月內產品有質量問題無條件退換貨;
優勢五:資深工程師為您提供全方位完善的一條龍銷售服務指導,售前專業方案設計、產品選型指導,售中安裝調試,售后三年上門免費跟蹤維修服務;
優勢六:全國優勢價格支持銷售,凡在我們公司購買產品,如果同類產品高于主流市場價格,我們雙倍補還差價,性價比高!
優勢七:我公司在國外設有7個境外專業采購中心,保證原裝進口,貨期快捷,價格具有優勢,可靠、放心
優勢八:我公司代理經銷169個品牌,全國同類產品系列全、品種多、多家知名企業中國合作伙伴代理。
知道了解更多的H2A-G2-5MN-5T傳感器信息,可點擊:美國ZEMIC傳感器,瀏覽ZEMIC H2A-G2-5MN-5T稱重傳感器詳細技術參數及相關系列產品型號等信息。
H2A-G2-5MN-5T產品性能特點描述:
產品圖片:

產品型號:H2A-G2-5MN-5T
產品類型: 稱重傳感器系列
產品品牌:美國ZEMIC稱重傳感器
產品名稱:美國zemic H2A-G2-5MN-5T稱重傳感器
特性:復合壓力傳感器可提供6種不同的量程,能測量負表壓、正表壓,并提供相應的雙 向輸出(±10 mV/V、±5 Vdc及4 ~ 20 mA,環境設置為12 mA)。可提 供±10 inH2O ~ ±15 psi的量程。
最大值: 0 ~ 400 mV范圍,40 mV/V靈敏度
H2A-G2-5MN-5T輸入阻抗: 200 kΩ (典型)
激勵電壓: 在 0 ~ 10 Vdc范圍內可選,切換增量為1V
最大輸出: 10 Vdc @ 120 m
隔離: 1200 Vrms(最小),3路隔離,電源至輸入、電源至輸出及輸入至輸出
工作溫度范圍: -10 ~ 60°C (14 ~ 140°F)
熱穩定性: 每°C熱穩定性優于量程的 ±0.02%
標準電源: 80 ~ 265 Vac, 50/60 Hz或85 ~ 300 Vdc
低電壓選項: 9 ~ 30 Vdc或10 ~ 32 Vac
功耗: 2 ~ 5 W(取決于稱重傳感器的數量)
H2A-G2-5MN-5T安裝: 安裝到標準35 mm DIN導軌上
環境保護: IP40
驅動能力: 10 Vdc時最多可驅動4個350 Ω電橋
微調: ±5%,通過多圈電位計調節
穩定性: 每°C 為±0.01%
輸入:100 ~ 10,000 Ω電橋0.5 ~ 40 mV/V
H2A-G2-5MN-5T輸出:0-1 至 0-10V, ±5 或 ±10V, 或 0-1 至4-20 mA (灌電流或拉電流)
規格:
輸入范圍: 100 ~ 10,000 Ω 電橋 @ 10 Vdc,最多可支持4個350 Ω電橋 @ 10 Vdc
最小值: 0 ~ 5 mV 范圍,0.5 mV/V靈敏度
工作溫度范圍: -10 ~ 60°C (14 ~ 140°F)
熱穩定性: 每°C熱穩定性優于量程的 ±0.02%
標準電源: 80 ~ 265 Vac, 50/60 Hz或85 ~ 300 Vdc
低電壓選項: 9 ~ 30 Vdc或10 ~ 32 Vac
功耗: 2 ~ 5 W(取決于稱重傳感器的數量)
H2A-G2-5MN-5T安裝: 安裝到標準35 mm DIN導軌上
環境保護: IP40
順從、驅動@ 20 mA: 20V, 1000 Ω驅動,電流輸出可選擇連接灌電流或拉電流
輸出線性度,波紋與噪聲: 優于量程的 ±0.1%, <10 mV rms波紋與噪聲
H2A-G2-5MN-5T稱重傳感器功能測試按鍵: 按下后將輸出設為測試水平。可通過多圈電位計調整為0 ~ 100%量程。出廠默認值為約為量程的50%
響應時間: 70 ms (典型)
共模抑制: 100 db(最小)
H2A-G2-5MN-5T稱重傳感器接線方式: 四個4端子可拆卸型連接器,最大線纜尺寸為14 AWG
技術參數圖:

zemic H2A-G2-5MN-5T系列高精度傳感器 雙向表壓量程型號具有全不銹鋼接 液部件和焊接結構以及出色的溫度 補償,非常適合用于惡劣的工業環 境中。
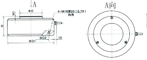
產品尺寸圖:

除H2A-G2-5MN-5T稱重傳感器之外類似相關產品型號推薦:
BM8D-C3-2t-6B1稱重傳感器★報價
Transcell BSS-ESH-2T傳感器
美國ZEMIC BM24R-500kg-C3-3B傳感器★報價
本站內容未經許可禁止復制轉載!©2002 廣州南創電子科技有限公司
聯系電話:020-82303306 公司傳真:020-82303511下班及雙休日請撥打各品牌負責人電話電話詳情
備案號: 粵ICP備11086172號-1